జెజియాంగ్ సెహ్నైడర్ ఎలక్ట్రిక్ కో., లిమిటెడ్.
జెజియాంగ్ సెహ్నైడర్ ఎలక్ట్రిక్ కో., లిమిటెడ్.
ఉత్పత్తులు
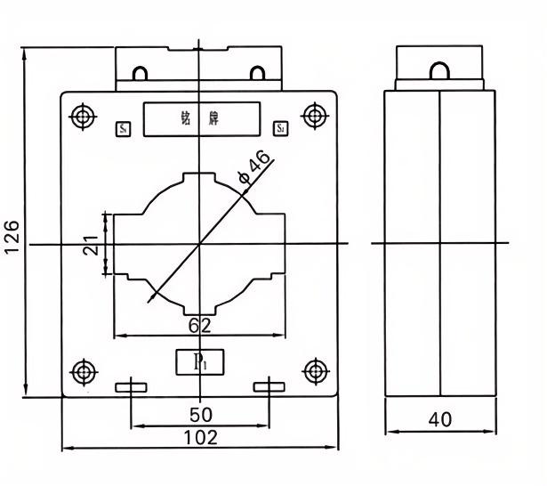
BH-0.66-60 ప్రస్తుత ట్రాన్స్ఫార్మర్లు
  • BH-0.66-60 ప్రస్తుత ట్రాన్స్ఫార్మర్లుBH-0.66-60 ప్రస్తుత ట్రాన్స్ఫార్మర్లు

BH-0.66-60 ప్రస్తుత ట్రాన్స్ఫార్మర్లు

BH -0.66-60 ప్రస్తుత ట్రాన్స్ఫార్మర్లు పిసి ఫ్లేమ్ - రిటార్డెంట్ మెటీరియల్, మరియు మాగ్నెటిక్ - కండక్టింగ్ మెటీరియల్ అనేది 0.2 మరియు 0.5 స్థాయిల వద్ద ఉత్పత్తి యొక్క ఖచ్చితత్వాన్ని నిర్ధారించడానికి ఒక ఎనియల్డ్ టొరాయిడల్ కోర్. 0.2 లు మరియు 0.5S వంటి అల్ట్రా - అధిక ఖచ్చితత్వ స్థాయిల కోసం, సూపర్ కండక్టింగ్ అయస్కాంతాలు మాత్రమే అటువంటి ఖచ్చితత్వ అవసరాలను తీర్చగలవు.

BH-0.66-60 ప్రస్తుత ట్రాన్స్ఫార్మర్లు 50Hz రేటెడ్ ఫ్రీక్వెన్సీ మరియు రేటెడ్ వోల్టేజ్ 0.66KV, 0.69KV, 0.5KV మరియు అంతకంటే తక్కువ విద్యుత్ శక్తి మీటరింగ్, ప్రస్తుత కొలత మరియు రిలే రక్షణ కోసం విద్యుత్ వ్యవస్థలకు వర్తిస్తాయి.


DAHU యొక్క ప్రస్తుత ట్రాన్స్ఫార్మర్ ఇండోర్ ఉపయోగం కోసం, పంపిణీ క్యాబినెట్‌లు మరియు పెట్టెల లోపల ఇన్‌స్టాల్ చేయబడింది. ఇది నవల మాగ్నెటిక్ సర్క్యూట్ డిజైన్, అధునాతన పరిహార పద్ధతులు, సున్నితమైన ప్రాసెసింగ్ పద్ధతులు, సురక్షితమైన మరియు నమ్మదగిన పనితీరు మరియు చిన్న మరియు అందమైన రూపాన్ని కలిగి ఉంది.


బయటి షెల్ అధిక -బలం జ్వాల - రిటార్డెంట్ పిసితో పూర్తిగా పరివేష్టిత నిర్మాణం మరియు జ్వాల - v1 యొక్క రిటార్డెంట్ రేటింగ్‌తో తయారు చేయబడింది. అంతర్గత కోర్ అధిక -నాణ్యమైన ధాన్యం - ఆధారిత సిలికాన్ స్టీల్ షీట్లతో తయారు చేయబడింది. తక్కువ ఉష్ణోగ్రత పెరుగుదలను నిర్ధారించడానికి ఆర్థిక ప్రస్తుత సాంద్రత ప్రకారం వైర్ వ్యాసం ఖచ్చితంగా ఎంపిక చేయబడుతుంది. అధునాతన మరియు నమ్మదగిన పరీక్షా పరికరాలతో, ఇది నాణ్యమైన ప్రమాణాలకు అనుగుణంగా ఉండేలా చేస్తుంది.


ఇది చదరపు మరియు గుండ్రని రంధ్రం రకాలను కలిగి ఉంది, ఇది సింగిల్ - రూట్ లేదా మల్టిపుల్ - రూట్ కేబుల్ చొచ్చుకుపోవటం లేదా సింగిల్ - రూట్ బస్‌బార్ చొచ్చుకుపోవడానికి అనువైనది. ఇది పూర్తి ఉత్పత్తి శ్రేణి, అనేక రకాల లక్షణాలు మరియు విస్తృత అనువర్తన పరిధిని కలిగి ఉంది.


అనువర్తనాలు

శక్తి పర్యవేక్షణ మరియు మీటరింగ్

సర్క్యూట్ రక్షణ మరియు రిలే సమన్వయం

ఇండస్ట్రియల్ ఆటోమేషన్ మరియు స్మార్ట్ గ్రిడ్ సిస్టమ్స్

సాంకేతిక లక్షణాలు

రేటెడ్ వోల్టేజ్: 0.66kv

ఫ్రీక్వెన్సీ: 50/60Hz

ఖచ్చితత్వ తరగతి: 0.5, 1.0 (అనుకూలీకరించదగినది)

ఇన్సులేషన్ స్థాయి: 3 కెవి/నిమి


ప్రధాన సాంకేతిక పారామితులు

రేట్ ప్రైమరీ
ప్రస్తుత (ఎ)
ఖచ్చితత్వం
తరగతులు
కలయిక
రేటెడ్ సెకండరీ అవుట్పుట్ (VA) 1 సె థర్మల్ కరెంట్ (కా) రేట్ డైనమిక్ కరెంట్ (కెఎ)
0.2 (సె) 0.2 0.5 10p10
5-40 0.2/10p10
0.5/10 పి 10
/ 10 10 15 90లిన్ 220లిన్
5-40 100lin 250lin
5-40 20 50
5-40
5-40 36 90
10
5-40 45 100
5-40 56 100
5-40
5-40 80 110
5-40 100 110


హాట్ ట్యాగ్‌లు: BH-0.66-60 ప్రస్తుత ట్రాన్స్ఫార్మర్లు
విచారణ పంపండి
సంప్రదింపు సమాచారం
  • చిరునామా

    జియాంగ్యాంగ్ ఇండస్ట్రియల్ జోన్, యుకింగ్, జెజియాంగ్, చైనా

  • ఇ-మెయిల్

    river@dahuelec.com

కొటేషన్ లేదా సహకారం గురించి మీకు ఏమైనా విచారణ ఉంటే, దయచేసి రివర్‌డాహ్యూల్క్.కామ్‌లో మాకు ఇమెయిల్ చేయడానికి సంకోచించకండి లేదా ఈ క్రింది విచారణ ఫారమ్‌ను ఉపయోగించండి. మా అమ్మకాల ప్రతినిధి 24 గంటల్లో మిమ్మల్ని సంప్రదిస్తారు. మా ఉత్పత్తులపై మీ ఆసక్తికి ధన్యవాదాలు.
X
We use cookies to offer you a better browsing experience, analyze site traffic and personalize content. By using this site, you agree to our use of cookies. Privacy Policy
Reject Accept