జెజియాంగ్ సెహ్నైడర్ ఎలక్ట్రిక్ కో., లిమిటెడ్.
జెజియాంగ్ సెహ్నైడర్ ఎలక్ట్రిక్ కో., లిమిటెడ్.
ఉత్పత్తులు
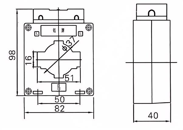
BH-0.66-50 ప్రస్తుత ట్రాన్స్ఫార్మర్స్
  • BH-0.66-50 ప్రస్తుత ట్రాన్స్ఫార్మర్స్BH-0.66-50 ప్రస్తుత ట్రాన్స్ఫార్మర్స్

BH-0.66-50 ప్రస్తుత ట్రాన్స్ఫార్మర్స్

BH-0.66-50 ప్రస్తుత ట్రాన్స్ఫార్మర్లు వివిధ పారిశ్రామిక అనువర్తనాల్లో ఖచ్చితమైన కొలత మరియు విద్యుత్ ప్రవాహాల పర్యవేక్షణ కోసం రూపొందించిన ఖచ్చితమైన సాధనాలు. 50A యొక్క రేటెడ్ కరెంట్ మరియు పరివర్తన నిష్పత్తి 0.66 తో, ఈ ట్రాన్స్ఫార్మర్లు నమ్మదగిన మరియు ఖచ్చితమైన ప్రస్తుత కొలత సామర్థ్యాలను అందిస్తాయి.

ఇండోర్ ఎపోక్సీ రెసిన్ కరెంట్ ట్రాన్స్ఫార్మర్ లేదా ఇండోర్ ప్లాస్టిక్ కేసింగ్ కరెంట్ ట్రాన్స్ఫార్మర్

• సింగిల్ ఫేజ్, రెండు దశ లేదా మూడు దశలు.

• రేటెడ్ వోల్టేజ్: 0.66kv

• CT కోసం మీటరింగ్ క్లాస్: 0.2 సె, 0.2,0.5, 0.5 సె

• ప్రామాణిక: IEC61869-2

• టైప్ పేరు: BH-0.66-50

ఈ ఇండోర్ డ్రై టైప్ కరెంట్ ట్రాన్స్ఫార్మర్ 0.66KV, 0.75KV లో ఉపయోగించబడుతుంది. శక్తి వ్యవస్థ, కొలత మరియు రక్షణ కోసం.

ఇది క్యూబికల్ స్విచ్ గేర్లో లేదా బే-ఇన్‌స్టాల్ చేసిన స్విచింగ్ స్టేషన్లలో ఉపయోగించబడింది.

BH-0.66-50 ప్రస్తుత ట్రాన్స్ఫార్మర్లు అధిక ఉష్ణోగ్రత ఇండోర్ ఎపోక్సీ రెసిన్, మీటరింగ్ కోసం నిరాకార అల్లాయ్ కోర్ మరియు రక్షణ కోసం అధిక నాణ్యతతో కూడిన రక్షణ, ప్రాధమిక మరియు ద్వితీయ ఉపయోగం స్వచ్ఛమైన ఎలక్ట్రోలైటిక్ రాగి.


అనువర్తనాలు:

విద్యుత్ పంపిణీ వ్యవస్థలు

శక్తి నిర్వహణ వ్యవస్థలు

పారిశ్రామిక పరికరాల పర్యవేక్షణ

పునరుత్పాదక శక్తి వ్యవస్థలు


1. ప్రీమియం పదార్థాలు

హై-గ్రేడ్ కోర్లు: కనీస నష్టాలు మరియు అధిక సరళత కోసం ప్రెసిషన్-లామినేటెడ్ సిలికాన్ స్టీల్ లేదా నానోక్రిస్టలైన్ కోర్లు.  

బలమైన ఇన్సులేషన్: ఎపోక్సీ రెసిన్ నమూనాలు కఠినమైన వాతావరణంలో దీర్ఘకాలిక స్థిరత్వాన్ని నిర్ధారిస్తాయి.  


2. సుపీరియర్ పెర్ఫార్మెన్స్

ఖచ్చితత్వం: మీటరింగ్‌కు క్లాస్ 0.2/0.5, రక్షణ కోసం 5 పి/10 పి, ఐఇసి 61869, 60044, ఐఇఇఇఇ మరియు అన్సీ ప్రమాణాలకు అనుగుణంగా.  

విస్తృత పరిధి: అనుకూల నిష్పత్తులు/పౌన frequency పున్యం (50/60Hz) తో 0.6KV-36KV వ్యవస్థలకు మద్దతు ఇస్తుంది.  

తక్కువ ఉష్ణ పెరుగుదల: ఆప్టిమైజ్ చేసిన డిజైన్ జీవితకాలం విస్తరించి, వేడెక్కడం తగ్గిస్తుంది.  

EMC రోగనిరోధక శక్తి: నమ్మకమైన సంకేతాలకు విద్యుదయస్కాంత జోక్యానికి వ్యతిరేకంగా కవచాలు.  


3. సేవ & మద్దతు

అనుకూల పరిష్కారాలు: తగిన నిష్పత్తులు, పరిమాణాలు లేదా కనెక్టర్లు (ఉదా., DIN రైలు, IEC టెర్మినల్స్).  

గ్లోబల్ ధృవపత్రాలు: IEC, CE, ISO మరియు స్థానిక గ్రిడ్ ఆమోదాలు.  

జీవితకాల సాంకేతిక సహాయం: 24/7 మద్దతు, సంస్థాపనా మార్గదర్శకత్వం మరియు విడి భాగాల సరఫరా.  

ఫాస్ట్ డెలివరీ: 2-4 వారాల్లో ప్రామాణిక ఉత్పత్తులు; అత్యవసర అవసరాలకు వేగవంతమైన ఎంపికలు.  


ప్రధాన సాంకేతిక పారామితులు

రేట్ ప్రైమరీ
ప్రస్తుత (ఎ)
ఖచ్చితత్వం
తరగతులు
కలయిక
రేటెడ్ సెకండరీ అవుట్పుట్ (VA) 1 సె థర్మల్ కరెంట్ (కా) రేట్ డైనమిక్ కరెంట్ (కెఎ)
0.2 (సె) 0.2 0.5 10p10
5-40 0.2/10p10
0.5/10 పి 10
/ 10 10 15 90లిన్ 220లిన్
5-40 100lin 250lin
5-40 20 50
5-40
5-40 36 90
10
5-40 45 100
5-40 56 100
5-40
5-40 80 110
5-40 100 110




హాట్ ట్యాగ్‌లు: BH-0.66-50 ప్రస్తుత ట్రాన్స్ఫార్మర్స్
విచారణ పంపండి
సంప్రదింపు సమాచారం
  • చిరునామా

    జియాంగ్యాంగ్ ఇండస్ట్రియల్ జోన్, యుకింగ్, జెజియాంగ్, చైనా

  • ఇ-మెయిల్

    river@dahuelec.com

కొటేషన్ లేదా సహకారం గురించి మీకు ఏమైనా విచారణ ఉంటే, దయచేసి రివర్‌డాహ్యూల్క్.కామ్‌లో మాకు ఇమెయిల్ చేయడానికి సంకోచించకండి లేదా ఈ క్రింది విచారణ ఫారమ్‌ను ఉపయోగించండి. మా అమ్మకాల ప్రతినిధి 24 గంటల్లో మిమ్మల్ని సంప్రదిస్తారు. మా ఉత్పత్తులపై మీ ఆసక్తికి ధన్యవాదాలు.
X
మీకు మెరుగైన బ్రౌజింగ్ అనుభవాన్ని అందించడానికి, సైట్ ట్రాఫిక్‌ను విశ్లేషించడానికి మరియు కంటెంట్‌ను వ్యక్తిగతీకరించడానికి మేము కుక్కీలను ఉపయోగిస్తాము. ఈ సైట్‌ని ఉపయోగించడం ద్వారా, మీరు మా కుక్కీల వినియోగానికి అంగీకరిస్తున్నారు. గోప్యతా విధానం
తిరస్కరించు అంగీకరించు